扫描仪产品
AlphaScan
AlphaVista
AlphaAutoScan-400
Alpha-Projector
V-Track
三维扫描仪
行业应用
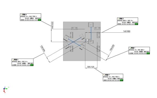
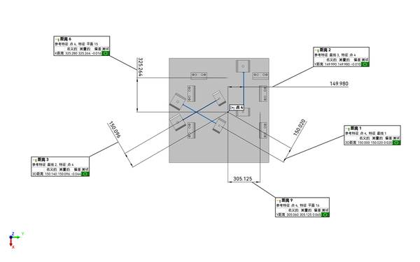
三维扫描工业检测
三维扫描逆向工程
资讯动态
公司新闻
使用教程
行业文章
关于我们
联系我们
服务支持
资源下载
专题文章
了解工业级三维扫描仪在逆向工程、点云处理、CAD重建和旧件复制中的应用流程。
2026/03/31
逆向工程扫描仪选型门道:售后响应才是真成本
2026/03/26
风电叶片检测难题如何破解 三维成像扫描仪重构工业质检
2026/03/24
三维便携式扫描仪如何重塑工业检测与逆向工程
2026/03/23
手持式与蓝光工业扫描仪选型实战:逆向建模到产线检测全攻略
三维扫描仪选型这五个坑,技术负责人踩过几个?
2026/03/22
逆向工程三维扫描仪选型指南:手持固定技术路线对比
2026/03/21
产线检测卡壳三天?工业扫描仪破局指南
2026/03/19
产线节拍倒逼测量变革 三维设备扫描仪重构制造业质检逻辑
产线检测滞后成顽疾 三维扫描建模如何打通质量闭环
2026/03/16
三维3D扫描仪破局工业智造:启源视觉Alpha系列终结精度焦虑
2026/03/12
模具试模时用逆向工程扫描仪扫全尺寸 比三坐标检测能快多少
项目上要做首件检测 逆向工程扫描仪买回来多久能用起来
咨询 · 在线演示
获取报价、预约免费上门演示
全国服务网点
享技术培训+全流程售前售后支持
客户、代理服务支持
专业团队护航,标准化服务流程